汽车制造
产品概述
product description
查看大图
产品特点
Features稳定的速度、优越的精度,HSR-JH605采用华数新一代的控制器及示教器,卓越的运动控制配合大范围空间的设计,在对焊缝质量有较高的焊接应用,具有高可靠性和优异的性价比;
强劲有力、性能优异,采用中空型结构手臂,手臂重量轻便、结构紧凑,在狭小空间作业有效消除焊枪电缆与工件和周边设备干涉、更容易保证焊枪的姿态和提高送丝稳定性;简单使用、轻松编程,提供人性化、高效简洁、符合国人使用习惯的中文焊接工艺包,专业的团队打造属于国人的汉语机器人,降低使用要求,并且可提供专业的可定制化的服务,让无焊接经验的初学者也能轻松上手,大幅提高效率降低人工成本;
优质服务、高效售后,可提供远程访问监视实时查看机器人运行状态让故障解决于无形;
-
专业的焊接团队提供专业的焊接技术支持;全国分布6大公司数十个支持点,提供全天24小时的优质服务。
应用领域:弧焊、涂胶、搬运。
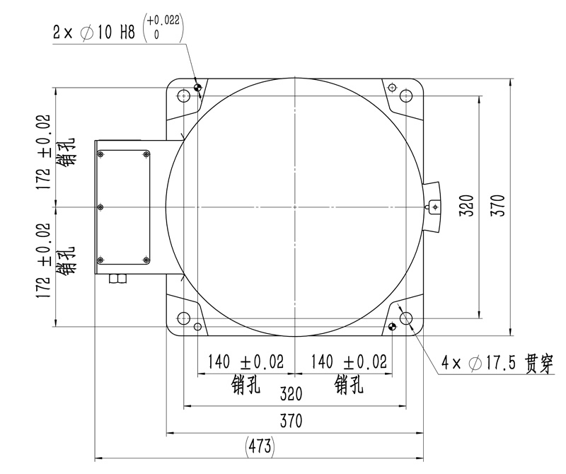
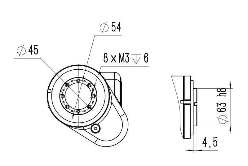
产品参数
Product parameters| 工业机器人 | HSR-JH605 | |
| 自由度 | 6 | |
| 最大负载 | 5Kg | |
| 最大工作半径 | 1441mm | |
| 重复定位精度 | ±0.06mm | |
| 运动范围 | J1 | ±150° |
| J2 | -145°/+60° | |
| J3 | +30°/+270° | |
| J4 | ±120° | |
| J5 | -110°/+140° | |
| J6 | ±360° | |
| 额定速度 | J1 | 2.58rad/s,148°/s |
| J2 | 2.58rad/s,148°/s | |
| J3 | 2.58rad/s,148°/s | |
| J4 | 3.93rad/s,225°/s | |
| J5 | 3.93rad/s,225°/s | |
| J6 | 3.93rad/s,225°/s | |
| 最高速度 | J1 | 3.87rad/s,222°/s |
| J2 | 3.87rad/s,222°/s | |
| J3 | 3.87rad/s,222°/s | |
| J4 | 5.89rad/s,337.5°/s | |
| J5 | 5.89rad/s,337.5°/s | |
| J6 | 5.89rad/s,337.5°/s | |
| 容许惯性矩 | J6 | 0.035kg.m2 |
| J5 | 0.3 kg.m2 | |
| J4 | 0.3 kg.m2 | |
| 容许扭矩 | J6 | 15 N·m |
| J5 | 35 N·m | |
| J4 | 35 N·m | |
| 适用环境 | 温度 | 0~45° |
| 湿度 | 20%~80% | |
| 其他 | 避免与易燃易爆或腐蚀性气体、液体接触,远离电子噪声源(等离子) | |
| 示教器线缆长度 | 8米 | |
| 本体-柜体连接线长度 | 5米 | |
| I/O参数 | 数字量:32输入,31输出(控制柜故障指示灯输出占用1) | |
| 本体预留信号线 | 无 | |
| 预留气路 | 无 | |
| 电源容量 | 2.5kVA | |
| 额定功率 | 2kW | |
| 额定电压 | 单相AC220V 50HZ | |
| 额定电流 | 10.8A | |
| 本体防护等级 | IP50 | |
| 安装方式 | 地面安装、倒挂安装、侧挂安装 | |
| 本体重量 | 196kg | |
| 控制柜防护等级 | IP50(本体) | |
| 控制柜重量 | 50kg | |
| 控制柜尺寸 | 640mm(宽)*460mm(厚)*620mm(高)-立式 | |
应用案例
Application Cases


