汽车制造
产品概述
product description
查看大图
HSR-BR616双旋机器人
BR双旋机器人系列全新一代机器人HSR-BR616,在BR系列机器人基础上进一步升级,负载能力更强,防护等级更高,速度更快。很适合多种场合下的应用,例如:喷涂、喷粉、机床上下料、冲压上下料、装配、分拣、码垛、注塑等;特别适合于对机器人防护等级要求高的场合,例如喷涂、喷粉等。
使用说明下载产品特点
Features优势一:安装占地面积小:机器人底座非常小,占地面积小于0.1㎡
优势二:高精度,高灵活性:平均重复精度可达±0.04mm,最大0.05mm;不仅具备通用6轴功能,当使用通用机器人用法功能无足够空间时,还可以编程内旋转模式另辟蹊径实现避让。
优势三:重量轻:本体重量128kg左右
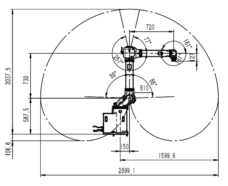
优势四:臂长更大、负载能力更强:通过轻量化的设计,使用高速电机、高精度的减速器,使机器人臂长增加至1599.6mm,额定负载16kg,可偏心80mm。
优势五:防护等级更高:经过结构优化,进行密封设计,经过测试,整机防护等级达到IP67。
特征1:360°空间全覆盖,无死角。特征2:高防护,整机防护等级IP67。特征3:安装占地面积小。特征4:高精度,高灵活性。特征5:高速,惯量小。特征6:重量轻。特征7:模块化、系列化、可定制。特征8:性价比高。
产品参数
Product parameters| 工业机器人 | HSR-BR616 | |
| 自由度 | 6 | |
| 负载 | 16Kg | |
| 最大工作半径 | 1600mm | |
| 重复定位精度 | ±0.05mm | |
| 运动范围 | J1 | ±154° |
| J2 | -178°/-2° | |
| J3 | +103°/+437° | |
| J4 | ±360° | |
| J5 | ±161° | |
| J6 | ±360° | |
| 额定速度 | J1 | 2.73 rad/s,157°/s |
| J2 | 2.52rad/s,145°/s | |
| J3 | 3.10rad/s,178°/s | |
| J4 | 3.85rad/s,221°/s | |
| J5 | 3.14rad/s,180°/s | |
| J6 | 3.92rad/s,225°/s | |
| 最高速度 | J1 | 4.12rad/s,236°/s |
| J2 | 3.78ad/s,217°/s | |
| J3 | 6.23rad/s,357°/s | |
| J4 | 7.72rad/s,443°/s | |
| J5 | 6.28rad/s,360°/s | |
| J6 | 7.85rad/s,450°/s | |
| 容许惯性矩 | J6 | 0.52㎏㎡ |
| J5 | 0.85kg㎡ | |
| J4 | 0.99kg㎡ | |
| 容许扭矩 | J6 | 20.3Nm |
| J5 | 28.0Nm | |
| J4 | 34.0Nm | |
| 适用环境 | 温度 | 0~45° |
| 湿度 | 20%~80% | |
| 其他 | 避免与易燃易爆或腐蚀性气体、液体接触,远离电子噪声源(等离子) | |
| 示教器线缆长度 | 8米 | |
| 本体-柜体连接线长度 | 6米 | |
| I/O参数 | 数字量:32输入,31输出 | |
| 本体预留信号线 | 24位(航空插头连接) | |
| 预留气路 | 2*Φ8 | |
| 电源容量 | 3.68KVA | |
| 额定功率 | 2.95kW | |
| 额定电压 | 单相AC220V | |
| 额定电流 | 13.4A | |
| 本体防护等级 | IP67 | |
| 安装方式 | 地面安装 | |
| 本体重量 | 124.5kg | |
| 控制柜防护等级 | IP54 | |
| 控制柜尺寸 | 500(宽)×322(厚)×530(高)-可立可卧 | |
| 控制柜重量 | 47KG | |
产品尺寸
Product Size


