汽车制造
产品概述
product description
查看大图
HSR-SR5700工业机器人
scara机器人系列HSR-SR5700具有覆盖范围广、高精度、高性能、多款负载档位,负载能力覆盖2KG-5KG。可满足定制化需求,广泛被应用于电子产品工业、药品工业和食品工业等领域。
使用说明下载产品参数
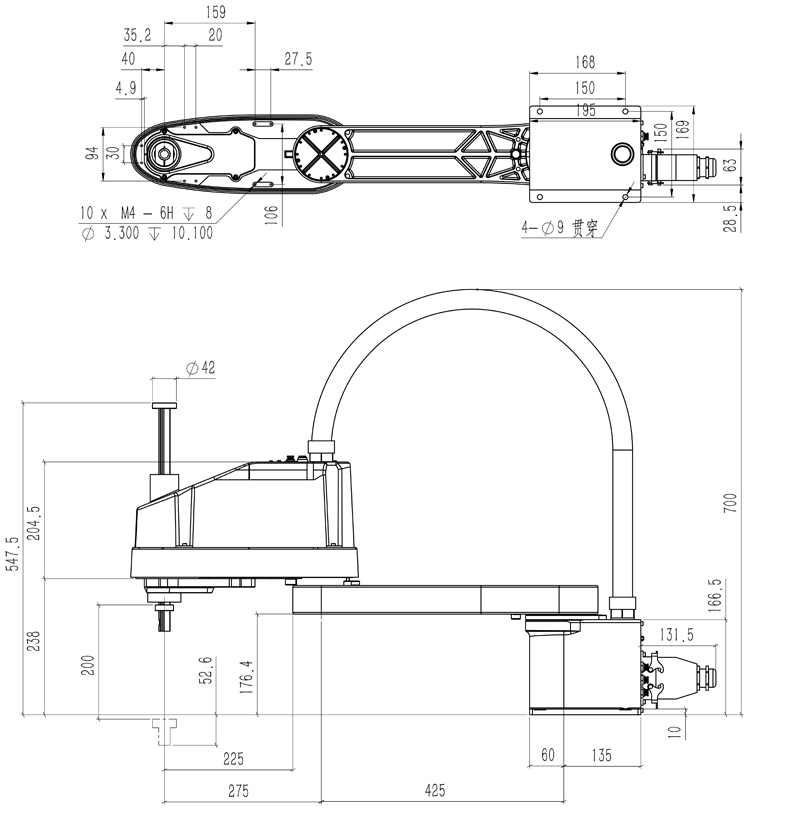
Product parameters| 工业机器人 | HSR-SR5700 | |
| 自由度 | 4 | |
| 最大负载/额定负载 | 5Kg/2Kg | |
| 最大工作半径 | 700mm | |
| 重复定位精度 | ±0.02mm | |
| 运动范围 | J1 | ±132° |
| J2 | ±150° | |
| J3 | 0/-200mm | |
| J4 | ±360° | |
| 额定速度 | J1 | 225°/s,3.92rad/s |
| J2 | 420°/s,7.32rad/s | |
| J3 | 666mm/s | |
| J4 | 1400°/s,24.42rad/s | |
| 最高速度 | J1 | 335°/s,5.84rad/s |
| J2 | 600°/s,10.46rad/s | |
| J3 | 1111mm/s | |
| J4 | 2000°/s,34.88rad/s | |
| 容许惯性矩 | J4 | 0.12kg㎡/0.01kg㎡ |
| 容许扭矩 | J4 | 4.23Nm |
| 适用环境 | 温度 | 0~45° |
| 湿度 | 20%~80% | |
| 其他 | 避免与易燃易爆或腐蚀性气体、液体接触,远离电子噪声源(等离子) | |
| 示教器线缆长度 | 8米 | |
| 本体-柜体连接线长度 | 3米 | |
| I/O参数 | 数字量:32位输入(NPN PNP均可)31位输出(NPN) | |
| 本体预留信号线 | 12位(航空插头连接) | |
| 预留气路 | 3*Φ6 | |
| 电源容量 | 0.8kVA | |
| 额定功率 | 0.62kW | |
| 额定电压 | 单相AC220V 50HZ | |
| 额定电流 | 3.2A | |
| 防护等级 | IP54 | |
| 安装方式 | 地面安装、桌面安装 | |
| 本体重量 | 22.5kg | |
| 控制柜防护等级 | IP20 | |
| 控制柜尺寸 | 319(宽)×280(厚)×145(高)-可立可卧 | |
| 控制柜重量 | 10.65KG | |
产品尺寸
Product Size

